Introduction
Extrusion companies don’t make new tools (dies) without a signed approval drawing!
The designer must compare the FlexLink drawing very thoroughly with this approval drawing. It’s the designer who signs the drawing.
If the approval drawing is missing any information, it shall be requested. Unclear information shall be checked with the supplier.
Approval drawings can be very different (see in the end of this document). Some companies, like Alumac in Malaysia, make very special ones.
When everything has been checked and the drawing has been signed it shall be uploaded to Coral as a Related Document to the L-cut item and the 3 m item (how to do it see below).
To consider: Alumac wants a FlexLink stamp and a hand-written signature. The drawing must be scanned afterwards.
Structure of tables
Topic Specification number | Explanation what to do and to consider |
General
Geometry of the profile CAD file | The supplier should send a CAD file (2D or 3D) which shall be compared against the FlexLink CAD model. All corners and edges should have radii. If they are not in the FlexLink CAD model, they shall be checked carefully if they can be accepted. If sharp edges are required, it must be checked if they are in the supplier files. |
Aluminum alloy | Correct alloy and correct heat treatment e.g., EN AW 6060 T6. |
Surface treatment | Normally naturally anodized 10 µm The specification is currently in an update process to add the proper standard ISO 7599 to it. |
Surface quality | Presence, class (A, B, C) and correct surfaces of the profile. Supplier quality classes shall be checked against FlexLink’s quality classes if they are corresponding. |
Supplier marking | Check if it’s the correct version (positive or negative) at the correct position. A list of the different supplier markings can be requested from the purchase department – it’s owned by them. |
Web marks | Potential web marks (stripes with different anodization color / appearance if a perpendicular wall is connected to an outer wall) could be marked. These shall be checked as well. |
Dimensions
General tolerances | ISO 12020-2 should be stated on the drawing. Year of release should be considered. The latest version is from 2022. |
Special tolerances | If the supplier states extra tolerances e.g., in the title block, these shall be checked carefully. If torsion, bending, wall thicknesses etc. are stated on the drawing it must be checked against ISO 12020-2 or FlexLink’s requirements. See picture 1. |
Dimensions | All dimensions on the FlexLink drawing must be on the approval drawing because they must be measured and documented in the protocol of the initial sample. If the supplier drawing shows more dimensions they shall be checked as well, considering the general or specific tolerances. |
Dimension tolerances | All tolerances of dimensions must be checked against the ones on the FlexLink drawing, including the geometrical tolerances with the proper references. |
Geometrical tolerances | Should be checked carefully. It’s easy to overlook a missing diameter symbol in a box. |
Quantity of dimensions | The quantity of the dimensions (e.g., 3x 11) shall be checked because this is important for the measuring protocol. Example: if the profile has more than one T-slot all of them shall be measured and documented in the protocol. See picture 2. |
Picture 1: example of special tolerances in the title block (supplier Alumac, Malaysia)

Picture 2: example of an XC-T-slot with quantity of dimensions. The profile has eight T-slots
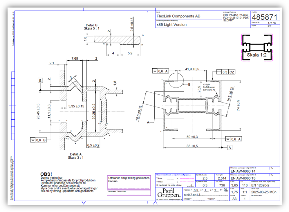
Picture 3: example of an approval drawing from Profilgruppen, Sweden, XBCB LA85

Picture 4: example of an approval drawing from Alumac, Malaysia, XUCB L

Attaching an already existing Related Document to an item in Supplier Copy or Designed
Important: do it on the list level – don’t open the item in a tab!
